◊ Historic Buchla Modules
Buchla pages > Buchla 200 modules > 248 Multiple Arbitrary Function Generator
Buchla pages > Buchla 200 modules > 248 Multiple Arbitrary Function Generator

The defining of audio parameters by means of voltages is an important aspect of modern electronic music instrumentation. But the usefulness of this principle is determined by the flexibility and generality of control voltage sources. Since their introduction in 1963, envelope generators and sequencers have comprised the available programmed sources of control voltages. Even with a decade of refinement they possess significant shortcomings. Envelope generators (developed to establish traditional note shapes) produce only a specific class of simple transient functions; sequencers (developed to reduce tape splicing) are limited to stepped functions and rigidly phased outputs. The resultant constraints on our otherwise quite general system led us to conceive this new source of programmed voltages. Unencumbered by engineering expediency or presumed musical aesthetics, the model 248 provides the musician with an unprecedented degree of control over the dynamic aspects of his music.
Functions are defined as point to point interpolations - the musician enters the voltage and interval time for each segment; the instrument accurately executes the implied interpolation. Times may range from .001 to 120 seconds; maximum number of segments is 16 or 32. Individual segment times and voltages may be governed by external voltages, permitting the implementation of higher ordered modes of voltage control such as indirect analogue addressing or voltage control of attack and decay times. Programmed output pulses may accompany the functions in any desired pattern; various additional control modes may be implemented.
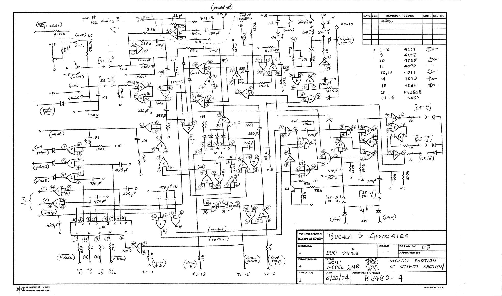
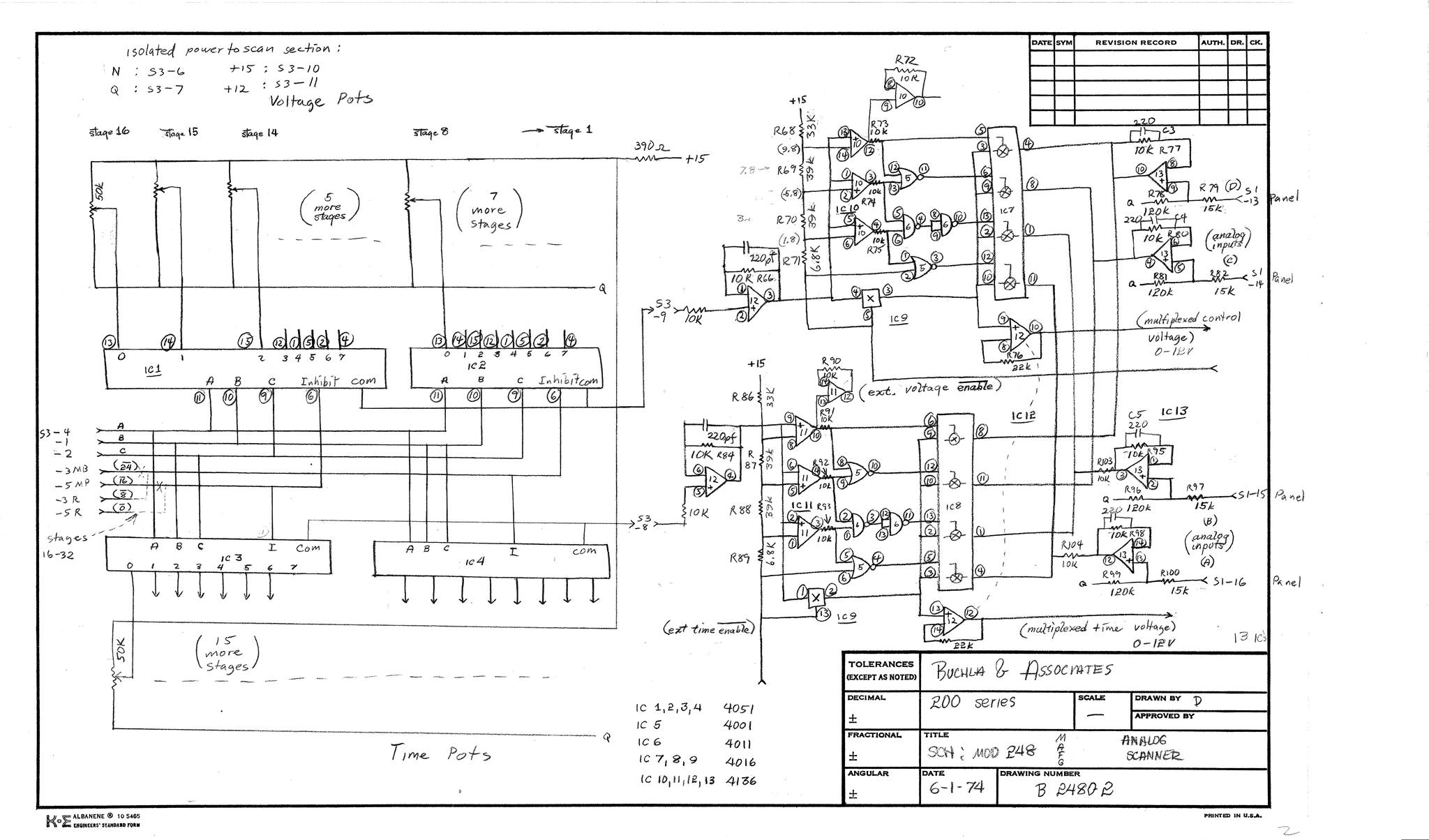
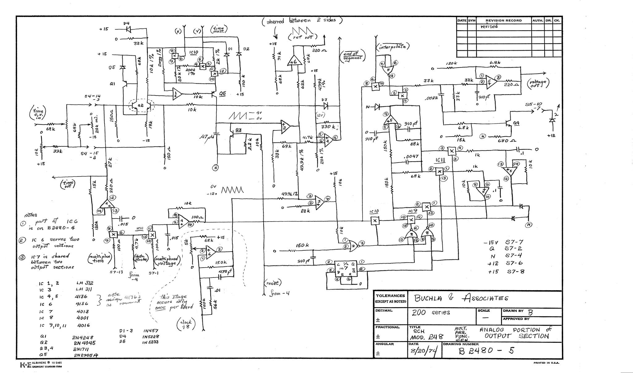
Each output section contains a time based multiplier (controlled from the panel or via applied voltages) and the logic necessary to start and stop a local clock via program control, panel switches or applied pulses. Preset and reset logic is also incorporated; stage selection may be performed manually or by application of control voltages or pulses.
In addition to the main control voltage output, each output section includes a "time" output (voltage proportional to internal time), a "reference" output (descending ramp, with period equal to interval time), an "all pulse" output (activated for each segment of a function), and two programmed pulse outputs.
The 248 may be regarded as a memory with 16 or 32 addressable storage locations, and a number of output ports, each of which can output the information contained in any portion of the memory. Each memory location contains the analogue and digital information required to define a segment of a time varying function; an output can produce a function consisting of any desired series of predefined segments. A unique and essential characteristic of the 248 is that it can operate asynchronously - that is, different output sections can simultaneously generate identical or dissimilar functions with completely different time scales and/or phase relationships.